
超宽带正交模耦合器
正交模耦合器(OMT)为波导三端口器件,,,是用于圆波导或矩形波导系统中疏散出两个差别极化波的装置,,,用于双线极化信号疏散或合成。。极化方法为线极化( 笔直,,,水平)。。
本公司设计的超宽带OMT有两种形式(方形或圆形波导口),,,方波导口的OMT公共口为方形,,,且公共口处在器件的中轴线上,,,如需毗连圆波导口喇叭天线需要配周遭转换,,,其电特征是等幅不等相;;;;;圆波导口的OMT公共口为圆形,,,可直接毗连圆波导口喇叭天线,,,且公共口处在器件的偏心位置,,,其电特征是等幅等相。??突Э善局ぷ陨硇枨罄囱≡裣煊MT形式。。
测试报告
本公司设计的超宽带OMT有两种形式(方形或圆形波导口),,,方波导口的OMT公共口为方形,,,且公共口处在器件的中轴线上,,,如需毗连圆波导口喇叭天线需要配周遭转换,,,其电特征是等幅不等相;;;;;圆波导口的OMT公共口为圆形,,,可直接毗连圆波导口喇叭天线,,,且公共口处在器件的偏心位置,,,其电特征是等幅等相。??突Э善局ぷ陨硇枨罄囱≡裣煊MT形式。。
12-18GHz 正交模耦合器(OMT)

贝博BB公司开发出的宽带正交模耦合器(OMT)系列,,,可笼罩从K 到W 频段共七个频段的全波导频带。。正交模耦合器可将圆波导或方波导口的信号疏散成两个正交分量的信号,,,并从响应的矩形波导口输出,,,同时,,,两个极化的信号具有30db 以上的隔离度。。反之,,,两个正交的线极化信号可以合并输出到圆波导或方波导口。。
此OMT 系列可用来匹配收发共用的宽带双极化天线,,, 能在一个配合的端口内传输两个正交的分量,,,以知足客户的州测试需求。。
上图展示的正交模耦合器,,,其事情带宽为12-18GHz. 可实现频段内的收发共用,,,具有高极化隔离度,,, 低差损,,, 宽频带的特点,,, 并且还兼顾幅度一致性高的要求。。我公司也可以配合客户的要求量身定制其他需求的宽带OMT。。
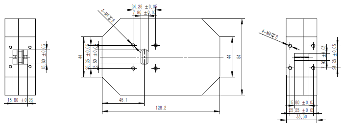
形状图 (Mechanical Outline):

一样平常指标 (Mechanical Specifications):
| 材质: | 铝钝化,,,外喷漆 |
| 尺寸: | 128.2 X 80 X 33.3(长宽高 mm) |
| 重量: | 约 730 克 |
手艺指标 (Electronic Specifications):
| 频率: | 12-18 GHz |
| 驻波(Typ.): | ≤1.3 |
| 差损: | ≤0.8 dB |
| 隔离: | >40 dB |

